PTベルト式サイドエントリーミキサーのご紹介:
排煙脱硫の利用:主にスラリータンクからの固形物の凝固を防止し、スラリーを次工程に均一に輸送できるようにします。酸化空気の拡散を強化し、亜硫酸カルシウムの酸化、石膏結晶の成長、石灰石の溶解を促進します。この装置を使用すると、少ない投資、便利な操作、高効率、低消費電力、媒体内で発生する静電気の発生が少なく、製品の品質が保証されるなど、多くの利点があります。
このタイプのミキサーは廃水処理や製紙産業にも使用できます。
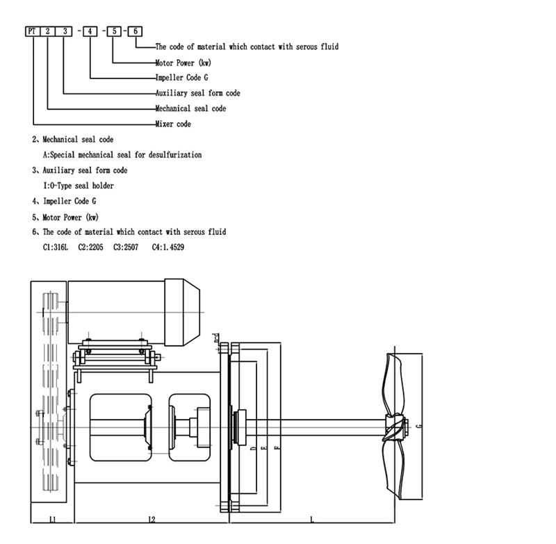
材料
脱硫側エンターミキサーはプログラムに合わせてどのように設計されていますか?
脱硫側エンター撹拌機は他の混合装置とは異なります。他の混合装置と比較して、FGD サイドエントリーミキサーは独自の設計手順を採用しています。以下、一緒に見ていきましょう。
1. 脱硫サイドエントリー撹拌機を設計する際、ユーザー機器の既存の D/DT 値と、混合時間と撹拌程度に対するお客様の要件に応じて、いくつかの異なる速度のトルクまたは動力要件を選択できます。このうち、撹拌の度合いは、材料の粘度の違い、比重の違い、ニュートン流体でないかどうかなどによって制限されます。
2. 適切なインペラの設置高さを選択し、機器を組み合わせて、おおよその撹拌機シャフトの長さを見積もります。
3. 適切なモーター出力を見積もります。
4、羽根車の消費電力、減速機とその出力軸、ブラケットなどの既存の性能を参照し、最初の3つの要件を満たすことができる撹拌機を選択します。
5. 刃先の先端速度などの条件に応じて、最適な回転速度を決定し、設計を最適化し、決定された条件に従って軸系の動力学と強度を確認および分析します。
Hot Tags: 脱硫用サイド エントリー撹拌機、中国、メーカー、サプライヤー、工場、購入、カスタマイズ、見積、中国製
PTベルト式サイドエントリーミキサーのご紹介:
排煙脱硫の利用:主にスラリータンクからの固形物の凝固を防止し、スラリーを次工程に均一に輸送できるようにします。酸化空気の拡散を強化し、亜硫酸カルシウムの酸化、石膏結晶の成長、石灰石の溶解を促進します。この装置を使用すると、少ない投資、便利な操作、高効率、低消費電力、媒体内で発生する静電気の発生が少なく、製品の品質が保証されるなど、多くの利点があります。
このタイプのミキサーは廃水処理や製紙産業にも使用できます。
材料
脱硫側エンターミキサーはプログラムに合わせてどのように設計されていますか?
脱硫側エンター撹拌機は他の混合装置とは異なります。他の混合装置と比較して、FGD サイドエントリーミキサーは独自の設計手順を採用しています。以下、一緒に見ていきましょう。
1. 脱硫サイドエントリー撹拌機を設計する際、ユーザー機器の既存の D/DT 値と、混合時間と撹拌程度に対するお客様の要件に応じて、いくつかの異なる速度のトルクまたは動力要件を選択できます。このうち、撹拌の度合いは、材料の粘度の違い、比重の違い、ニュートン流体でないかどうかなどによって制限されます。
2. 適切なインペラの設置高さを選択し、機器を組み合わせて、おおよその撹拌機シャフトの長さを見積もります。
3. 適切なモーター出力を見積もります。
4、羽根車の消費電力、減速機とその出力軸、ブラケットなどの既存の性能を参照し、最初の3つの要件を満たすことができる撹拌機を選択します。
5. 刃先の先端速度などの条件に応じて、最適な回転速度を決定し、設計を最適化し、決定された条件に従って軸系の動力学と強度を確認および分析します。
Hot Tags: 脱硫用サイド エントリー撹拌機、中国、メーカー、サプライヤー、工場、購入、カスタマイズ、見積、中国製