| 可用性ステータス: | |
|---|---|
| 数量: | |
Keheng FGD サイドエントリーミキサー
撹拌機は排煙脱硫プロセスにおいて非常に重要なツールです。脱硫装置と排ガスを混合するのに役立ち、脱硫の効率が向上します。撹拌機は通常、モーター、減速機、ベアリング、撹拌シャフトと羽根車などで構成されており、さまざまな排煙脱硫システムや運転条件に適応できます。
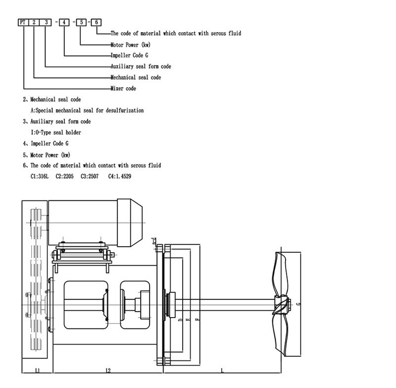
材料
マテリアルは次のとおりです。
Q235B、45#、ゴム付き炭素鋼、PO付き炭素鋼、PTFE付き炭素鋼、FRP付き炭素鋼、炭素鋼エナメル、304 SS、316L SS、2205二相ステンレス鋼、2507二相ステンレス鋼、904Lスーパーオーステナイトステンレス鋼、1.4529
ノート: すべてのミキサー部品の材質は、現地の作業条件、混合媒体、顧客の要件に応じてカスタムメイドできます。
応用:
撹拌機は排煙脱硫プロセスで広く使用されています。例えば、
1. 湿式排煙脱硫では、撹拌機が脱硫剤と排ガスの混合に役立ち、脱硫の効率が向上します。
2. 乾式排煙脱硫では、撹拌機が脱硫剤の混合と分散に役立ち、脱硫効率が向上します。
3. エンジニアや技術者が脱硫プロセスを最適化および自動化し、脱硫の効率と収率を向上させるのに役立ちます。
4. 脱硫器の使用量を削減でき、脱硫コストを削減し、環境保護に貢献します。
Keheng 撹拌機が使用する 完全木箱梱包、 後 測定、計量、補強の手順 工場で、検査のために特定の港湾倉庫に入れられ、層ごとにチェックされます。
Kehengの海外配送方法は通常CIF、CFRまたはFOBで、お客様からの前払いを受け取ってから1か月から1か月半以内に商品をお届けします。
フィールドサービス
KEHENG には 30 年近い経験があります。当社は現場での診断と修理を提供できます。技術チームは、お客様の混合作業を支援するために、さまざまなオンサイト メンテナンス オプションを提供します。
インストール: 顧客の仕様に応じて
出張相談・修理: KEHENG はオンサイト修理診断サービスを提供します。現場で問題を解決できない場合は、機器を当社の検査および修理部門に返送することができます。
予防メンテナンス: すべての機械は出荷前に厳格な検査に合格する必要があります。KEHENG は、混合ソリューションと装置の最高のパフォーマンスを保証するために、診断テストとベンチマーク テストを提供します。
その他のサービス: ケHENG は、復興プロジェクトに新しい混合ソリューションと機器を提供できます。
修理サービス
KEHENG は、トップ エントリー ミキサー ドライブを修復するための最も包括的な分析とオプションを提供します。検査および修復プログラムは以下を提供します。
1. 信頼性と信頼性の向上
2. 厳しい仕様を満たした高品質な修理
3. 機器の寿命を延ばします
ミキサードライブのすべての部品は徹底的に洗浄および検査され、故障の真の根本原因が特定されます。詳細なレポートと段階的な修復オプションが提供されます。顧客は運用上のニーズに応じて適切な修理を選択します。選択した修理オプションに応じて保証が利用可能です。
解決できる一般的な問題には次のようなものがあります。
1. 機械的疲労
2. 動揺した状況
3. 衝撃荷重
4. プロセスの変更
5. インペラのバランス
顧客サービス
1. KEHENG のすべての顧客は、販売前および販売後にサポートと提案を受けられます。
2. KEHENG が提供するサービスは、お客様が最適な製品を選択できるようにすることを目的としています。
3. KEHENG は、計画、設置、トレーニング、トラブル除去、メンテナンスと修理、改修と最新化など、お客様が製品を正しく使用できるよう支援します。
4. KEHENG の提供: スペアパーツの供給、技術開発と利用可能な最新技術、顧客在庫の最適化とスペアパーツの推奨。
テクニカルサポート
KEHENG には、豊富な経験と広範な知識を備えたアプリケーション エンジニアのスタッフが揃っています。当社の技術チームは、技術サポートエンジニア、製品設計および開発エンジニアで構成されています。彼らは専門的な知識とスキルを備えており、迅速かつ信頼できるサービスとアドバイスを提供します。セールス エンジニアと協力してコミュニケーションを完了します。アプリケーションエンジニアは、ドライブのタイプ、ドライブ比、モーターの取り付け要件、ドライブの取り付け要件、メカニカルシールやモーターなどの特殊なアイテム、撹拌シャフト、インペラハブ、インペラブレードの詳細を指定できます。
必要に応じて、KEHENG は、スタッフに資格を取得させ、特定の KEHENG 機器の特徴を熟知させるために、次のトレーニングと指示をサポートします。
1. 操作訓練
2. メンテナンス研修
3. プロセストレーニング
JiangSu KeHeng Petrochemical & Electrical Machinery Co., Ltd は 1989 年に設立されました。専門的な研究開発、設計、製造、設置を専門とするハイテク企業です。主に従事しているのは、 石油化学加熱炉、廃熱回収装置、発電所脱硫装置、排水処理装置、混合機 製品は中国全土で販売され、東南アジア、ヨーロッパ、アフリカ、中東、日本、インド、カザフスタン、トルコ、その他多くの国に輸出されています。
ケヘンは 独立した研究開発センターと 完璧 製品テスト、 検査する 装置. 長年にわたる絶え間ない革新により、 以上の受賞歴があります 30 ユーティリティ モデル 特許と 5 国家知識産権局による発明特許. これまでのところ、ケヘン もっている たとえば、いくつかの大企業や業界グループの供給リンクで認定ベンダーになる ペトロチャイナ、シノペック、CNOOC 等
製品の品質で市場を占領し、企業の評判で顧客を獲得する
誠実さ - 私たちの足場の基盤。開発 - KeHeng の永遠の追求。
製品の品質
当社のミキサーはすべて、ISO9001 品質基準に準拠した専用のカスタム施設で製造されており、その構造には高品質のコンポーネントのみが使用されています。
カスタムデザイン
当社の専門技術チームは、お客様の要件に応じて、使用上の最大の価値を達成できる最適なミキサーを設計します。
Pプロジェクト M管理
当社は、製造、組立、品質管理のあらゆる側面が個々の顧客の仕様に合わせて確実に進められるよう、専任のプロジェクト マネージャーを割り当てます。
顧客サービス
KEHENG のすべての顧客は、販売前および販売後にサポートと提案を受けられます。お客様の製品の正しい使用をサポートします:PLAN、設置、トレーニング、トラブルの除去、メンテナンスと修理、改修と近代化。
Q: 商社ですか、それともメーカーですか?
A: 私たちはメーカーです。私たちの工場は江蘇省にあります。 Q: 撹拌機とミキサーをカスタマイズするにはどうすればよいですか? A: アプリケーションパラメータを送信していただくか、提供されたフォームにご記入いただければ、お客様とお客様のビジネスに最適な製品を選択または設計します。 Q: 生産リードタイムはどれくらいですか? A: 通常は 30 日間です。特定のモーターブランドを選択する場合、リードタイムは異なる場合があります。 Q:製品の保証については? A: 通常、販売された製品には1年間の保証を提供しますが、お客様との長期的な関係を維持するために必要な場合は生涯サービスを提供することもできます。
Keheng FGD サイドエントリーミキサー
撹拌機は排煙脱硫プロセスにおいて非常に重要なツールです。脱硫装置と排ガスを混合するのに役立ち、脱硫の効率が向上します。撹拌機は通常、モーター、減速機、ベアリング、撹拌シャフトと羽根車などで構成されており、さまざまな排煙脱硫システムや運転条件に適応できます。
材料
マテリアルは次のとおりです。
Q235B、45#、ゴム付き炭素鋼、PO付き炭素鋼、PTFE付き炭素鋼、FRP付き炭素鋼、炭素鋼エナメル、304 SS、316L SS、2205二相ステンレス鋼、2507二相ステンレス鋼、904Lスーパーオーステナイトステンレス鋼、1.4529
ノート: すべてのミキサー部品の材質は、現地の作業条件、混合媒体、顧客の要件に応じてカスタムメイドできます。
応用:
撹拌機は排煙脱硫プロセスで広く使用されています。例えば、
1. 湿式排煙脱硫では、撹拌機が脱硫剤と排ガスの混合に役立ち、脱硫の効率が向上します。
2. 乾式排煙脱硫では、撹拌機が脱硫剤の混合と分散に役立ち、脱硫効率が向上します。
3. エンジニアや技術者が脱硫プロセスを最適化および自動化し、脱硫の効率と収率を向上させるのに役立ちます。
4. 脱硫器の使用量を削減でき、脱硫コストを削減し、環境保護に貢献します。
Keheng 撹拌機が使用する 完全木箱梱包、 後 測定、計量、補強の手順 工場で、検査のために特定の港湾倉庫に入れられ、層ごとにチェックされます。
Kehengの海外配送方法は通常CIF、CFRまたはFOBで、お客様からの前払いを受け取ってから1か月から1か月半以内に商品をお届けします。
フィールドサービス
KEHENG には 30 年近い経験があります。当社は現場での診断と修理を提供できます。技術チームは、お客様の混合作業を支援するために、さまざまなオンサイト メンテナンス オプションを提供します。
インストール: 顧客の仕様に応じて
出張相談・修理: KEHENG はオンサイト修理診断サービスを提供します。現場で問題を解決できない場合は、機器を当社の検査および修理部門に返送することができます。
予防メンテナンス: すべての機械は出荷前に厳格な検査に合格する必要があります。KEHENG は、混合ソリューションと装置の最高のパフォーマンスを保証するために、診断テストとベンチマーク テストを提供します。
その他のサービス: ケHENG は、復興プロジェクトに新しい混合ソリューションと機器を提供できます。
修理サービス
KEHENG は、トップ エントリー ミキサー ドライブを修復するための最も包括的な分析とオプションを提供します。検査および修復プログラムは以下を提供します。
1. 信頼性と信頼性の向上
2. 厳しい仕様を満たした高品質な修理
3. 機器の寿命を延ばします
ミキサードライブのすべての部品は徹底的に洗浄および検査され、故障の真の根本原因が特定されます。詳細なレポートと段階的な修復オプションが提供されます。顧客は運用上のニーズに応じて適切な修理を選択します。選択した修理オプションに応じて保証が利用可能です。
解決できる一般的な問題には次のようなものがあります。
1. 機械的疲労
2. 動揺した状況
3. 衝撃荷重
4. プロセスの変更
5. インペラのバランス
顧客サービス
1. KEHENG のすべての顧客は、販売前および販売後にサポートと提案を受けられます。
2. KEHENG が提供するサービスは、お客様が最適な製品を選択できるようにすることを目的としています。
3. KEHENG は、計画、設置、トレーニング、トラブル除去、メンテナンスと修理、改修と最新化など、お客様が製品を正しく使用できるよう支援します。
4. KEHENG の提供: スペアパーツの供給、技術開発と利用可能な最新技術、顧客在庫の最適化とスペアパーツの推奨。
テクニカルサポート
KEHENG には、豊富な経験と広範な知識を備えたアプリケーション エンジニアのスタッフが揃っています。当社の技術チームは、技術サポートエンジニア、製品設計および開発エンジニアで構成されています。彼らは専門的な知識とスキルを備えており、迅速かつ信頼できるサービスとアドバイスを提供します。セールス エンジニアと協力してコミュニケーションを完了します。アプリケーションエンジニアは、ドライブのタイプ、ドライブ比、モーターの取り付け要件、ドライブの取り付け要件、メカニカルシールやモーターなどの特殊なアイテム、撹拌シャフト、インペラハブ、インペラブレードの詳細を指定できます。
必要に応じて、KEHENG は、スタッフに資格を取得させ、特定の KEHENG 機器の特徴を熟知させるために、次のトレーニングと指示をサポートします。
1. 操作訓練
2. メンテナンス研修
3. プロセストレーニング
JiangSu KeHeng Petrochemical & Electrical Machinery Co., Ltd は 1989 年に設立されました。専門的な研究開発、設計、製造、設置を専門とするハイテク企業です。主に従事しているのは、 石油化学加熱炉、廃熱回収装置、発電所脱硫装置、排水処理装置、混合機 製品は中国全土で販売され、東南アジア、ヨーロッパ、アフリカ、中東、日本、インド、カザフスタン、トルコ、その他多くの国に輸出されています。
ケヘンは 独立した研究開発センターと 完璧 製品テスト、 検査する 装置. 長年にわたる絶え間ない革新により、 以上の受賞歴があります 30 ユーティリティ モデル 特許と 5 国家知識産権局による発明特許. これまでのところ、ケヘン もっている たとえば、いくつかの大企業や業界グループの供給リンクで認定ベンダーになる ペトロチャイナ、シノペック、CNOOC 等
製品の品質で市場を占領し、企業の評判で顧客を獲得する
誠実さ - 私たちの足場の基盤。開発 - KeHeng の永遠の追求。
製品の品質
当社のミキサーはすべて、ISO9001 品質基準に準拠した専用のカスタム施設で製造されており、その構造には高品質のコンポーネントのみが使用されています。
カスタムデザイン
当社の専門技術チームは、お客様の要件に応じて、使用上の最大の価値を達成できる最適なミキサーを設計します。
Pプロジェクト M管理
当社は、製造、組立、品質管理のあらゆる側面が個々の顧客の仕様に合わせて確実に進められるよう、専任のプロジェクト マネージャーを割り当てます。
顧客サービス
KEHENG のすべての顧客は、販売前および販売後にサポートと提案を受けられます。お客様の製品の正しい使用をサポートします:PLAN、設置、トレーニング、トラブルの除去、メンテナンスと修理、改修と近代化。
Q: 商社ですか、それともメーカーですか?
A: 私たちはメーカーです。私たちの工場は江蘇省にあります。 Q: 撹拌機とミキサーをカスタマイズするにはどうすればよいですか? A: アプリケーションパラメータを送信していただくか、提供されたフォームにご記入いただければ、お客様とお客様のビジネスに最適な製品を選択または設計します。 Q: 生産リードタイムはどれくらいですか? A: 通常は 30 日間です。特定のモーターブランドを選択する場合、リードタイムは異なる場合があります。 Q:製品の保証については? A: 通常、販売された製品には1年間の保証を提供しますが、お客様との長期的な関係を維持するために必要な場合は生涯サービスを提供することもできます。